泰安宇成全自动反冲洗过滤器规格全 快速过滤器供应
全自动反冲洗过滤器,反冲洗过滤器,快速过滤器,全自动反冲洗过滤器规格全,反冲洗过滤器供应
全自动反冲洗过滤器,是一种利用滤网直接拦截水中的杂质,去除水体悬浮物、颗粒物,降低浊度,净化水质,减少系统污垢、菌藻、锈蚀等产生,以净化水质及保护系统XXX设备正常工作的精 密设备。
一、全自动反冲洗过滤器原理概述 :
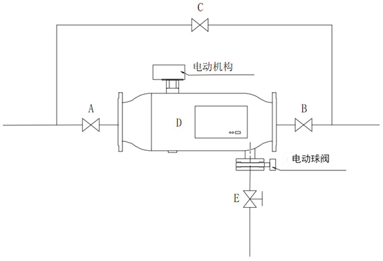
全自动反冲洗过滤器主要由筒体,不锈钢滤网,电动球阀及排污装置所组成。当水处理器工作时,电动球阀开启,水流由入口进入过滤器,经过滤网过滤流出系统。水处理器需要排污时,关闭电动球阀,打开排污阀,水流经滤网后半段外侧流入内侧,经前半段过滤,部分水流由出口流入系统,剩余水流由滤网后半段外侧流入内侧,经排污口排出, 起到反向自动冲洗滤网作用。
二、全自动反冲洗过滤器技术参数 :
1. 全自动反冲洗过滤器处理效果
过滤精度:可根据用户需要选择
过滤效率: 80%~99%
压力损失: ≤ 0.015MPa
2. 全自动反冲洗过滤器进水水质
工作压力: ≤ 1.6Mpa
工作温度: 1 ℃ ~50 ℃
工作环境温度: 1 ℃ ~50 ℃
相对湿度:< 95%
3. 全自动反冲洗过滤器运行参数
平均无故障工作时间:> 60000 小时
设计寿命: 10年
三、全自动反冲洗过滤器安装示意图:

宇成全自动反冲洗过滤器壳体材质一般是碳钢,也可以做成不锈钢材质,滤网材质为304不锈钢或316不锈钢,公称压力有0.6MPa、1.0MPa、1.6MPa、2.5MPa,过滤精度也可以选择,各种规格各种要求都可以定做,来电采购请提供你的规格要求。
联系人:张经理 手机:15615688851(微信同号)
QQ:2656653994 座机:0538-6626868
地址:泰安市岱岳区青春创业开发区
