采暖系统用DN400卧式角通除污器 立式角通除污器直供
DN400卧式角通除污器,立式角通除污器,角通除污器,采暖系统用角通除污器,角通除污器直供
一、DN400卧式角通除污器介绍:
DN400卧式角通除污器,用来清chu、过滤管路中杂质和污物,以保证系统内水质清洁,减少阻力并防止堵塞管路。角通除污器具有阻力小、重量轻、安装调试方便等特点,特别是排污方便、迅速,可不停机操作并可反向冲刷滤网,使之不堵塞,对连续运行的系统更为适用,广泛应用于工业及民用建筑采暖系统。
二、DN400卧式角通除污器工作原理:
当除污器工作时阀门处于开启状态,介质进入除污器经过出口;当除污器需排污时,阀门处于关闭状态,介质亦经滤网过滤通过阀板周边间隙改变流向,反向经滤网,开启排污阀,排除杂质,整个过程处于不停止运动。
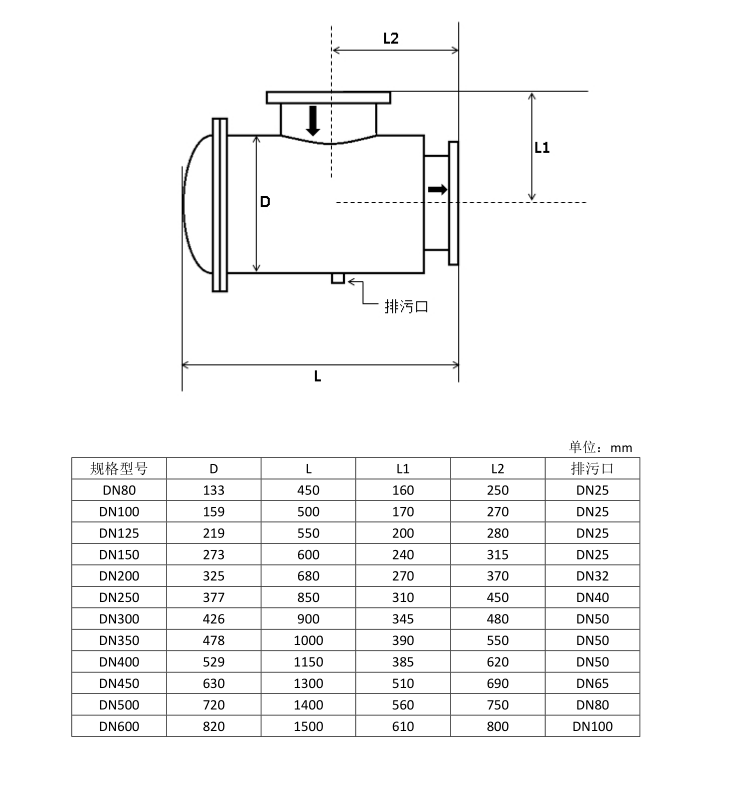
三、DN400卧式角通除污器尺寸参数表:

四、DN400卧式角通除污器安装与使用:
DN400卧式角通除污器一般应设置于供暖系统的入口调压装置前或各设备入口前。直通式除污器安装在水平管道上,角通除污器可安装在直角转弯的管道上,安装时壳上箭头方向须与水流方向一致。运行过程中应定期排污。
泰安宇成DN400卧式角通除污器主要由滤网、阀门、筒体、排污装置组成。滤网和筒体材料根据用户需要可以使用碳钢或不锈钢制造;法兰材料为碳钢结构,表面光洁;阀门主要用于改变介质在除污器内的流动方向;整机密封材料由石棉板和橡胶密封,密封性能良好。
联系人:张经理 手机:15615688851(微信同号)
QQ:2656653994 座机:0538-6626868
地址:泰安市岱岳区青春创业开发区
